Université d’Antananarivo
Accueil
Thèses
Mémoires
Statistiques
recherche
Connexion
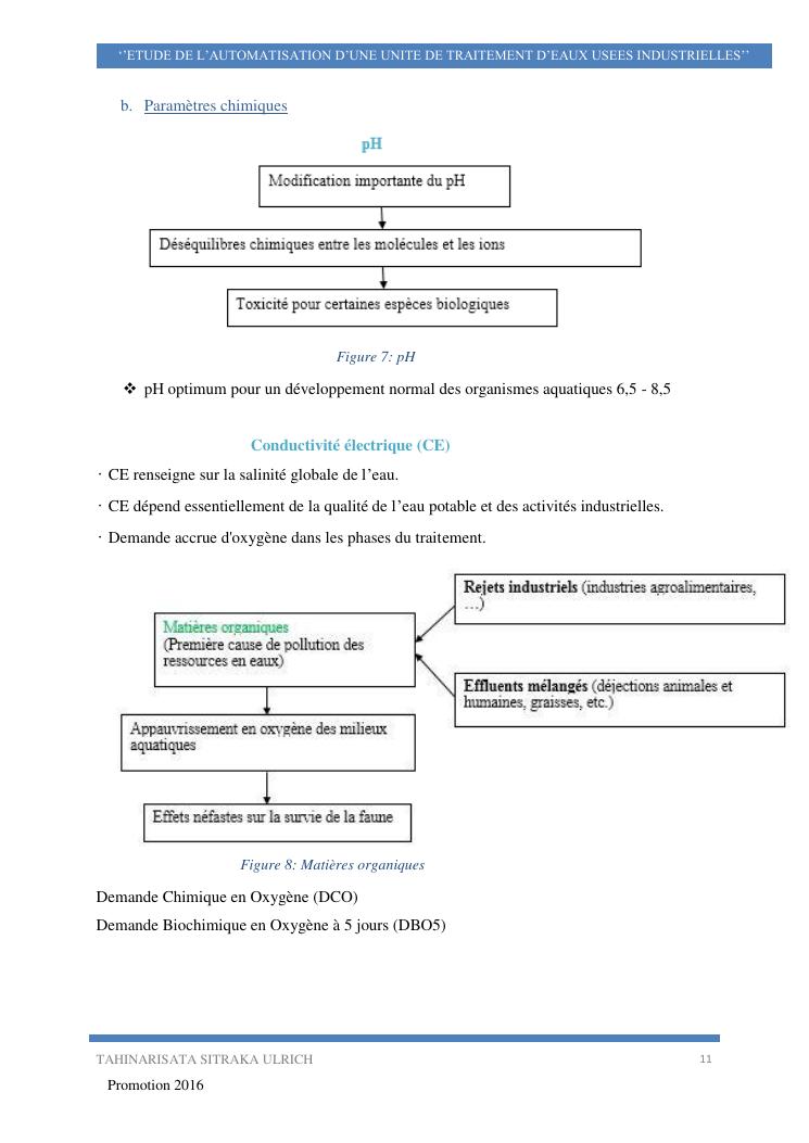
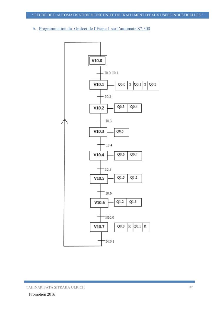
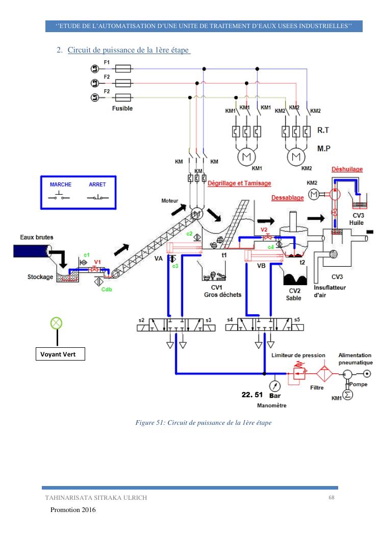
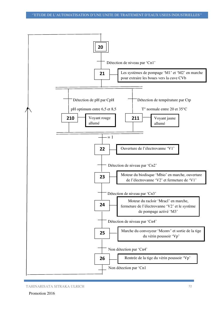
etude de l'automatisation d'une unite de traitement d'eaux usees industrielles